|
Электротехника
| |
| SlaVe4U | Дата: Среда, 12.01.2011, 03:57 | Сообщение # 61 |
|
Главный Администратор
Группа: Администраторы
Сообщений: 320
Награды: 23
Репутация: 222
Статус: Offline
| длительность положительных импульсов на выходе 1, RC-цепь, подключенная к DD1.2, - длительность паузы между ними. При необходимости получения колебаний с частотой 100 Гц и менее для уменьшения габаритов применяемых конденсаторов удобно использовать задающий генератор на относительно высокую частоту с последующим делением частоты многоразрядным делителем К176ИЕ5, К176ИЕ12, К176ИЕ18, К561ИЕ16, КР1561ИЕ20. Особенно удобны для такого варианта первые три микросхемы, так как они содержат необходимые для построения задающего генератора элементы. На рис. 319 приведена схема генератора на микросхеме К176ИЕ5. Задающий генератор собран на логических элементах DD1.1 и DD1.2, его схема эквивалентна схеме рис. 303. Выход задающего генератора внутри микросхемы подключен к делителю частоты на 512 DD1.3. Микросхема имеет еще один делитель частоты на 32 и 64 DD1.4. Вход этого делителя может быть подключен или к выходу задающего генератора F, или к выходу первого делителя, в последнем случае частота на выходе 15 будет в 32768 раз меньше частоты задающего генератора. Схема RC-генератора на микросхеме К176ИЕ12 приведена на рис. 320. Задающий генератор по схеме рис. 305 на инверторах DD1.1 и DD1.2 подключен ко входу делителя DD1.3, коэффициент деления которого составляет 32768. Делитель также имеет выходы, частота импульсов на которых меньше частоты задающего генератора в 32,256, 16384 раз. Импульсы с частотой F/256 выведены на четыре выхода, их фазовые соотношения для частоты задающего генератора 32768 Гц приведены на рис. 204. При их использовании следует помнить о коротких «просечках» на выходах Т1 и ТЗ, также показанных на рис. 204. Микросхема имеет еще один счетчик с коэффициентом деления, равным 60. Его вход может быть подключен как к задающему генератору, так и к любому выходу первого счетчика. При подключении его к выходу S1 частота импульсов на выходе второго делителя будет в 196608 раз меньше частоты задающего генератора. Хотя стабильность частоты RC-генераторов на микросхемах КМОП довольно высока (особенно в сравнении с генераторами на микросхемах ТТЛ), в ряде случаев более удобно применить кварцевый генератор с последующим делением частоты до необходимого уровня. Такой вариант получения необходимой частоты обеспечит не только высокую стабильность, но и исключит необходимость в подстроечных элементах, а габариты и стоимость кварцевого резонатора на 32768 Гц для наручных часов меньше, чем хорошего металлопленочного конденсатора. Если частоты на выходах микросхем К176ИЕ5 или К176ИЕ12 соответствуют необходимым, целесообразно использовать именно их с их встроенными инверторами для кварцевого генератора. Если же в качестве делителя нельзя использовать указанные микросхемы, в кварцевом генераторе необходимо применить инвертор из микросхемы малой степени интеграции. Опыт показывает, что далеко не каждый инвертор работает в кварцевом генераторе по стандартной схеме рис. 321. Хорошо зарекомендовали себя элементы микросхем К561ЛА7 и К561ЛЕ5, совсем не работают микросхемы К176ЛА7 и К176ЛЕ5. Микросхема К561ЛП2 очень удобна для построения различных генераторов и формирователей, однако внутренняя структура элементов микросхемы несимметрична относительно двух ее входов и в кварцевом генераторе ее элементы могут работать лишь при соединении с источником питания выводов 2,5,9 или 12. Кроме того, для улучшения формы выходного сигнала в генераторе по схеме рис. 321 с использованием микросхемы К561ЛП2 сопротивление резистора R2 целесообразно уменьшить до 180 кОм. Микросхемы, содержащие счетчики с большим коэффициентом деления, могут с успехом использоваться и для построения ждущих мультивибраторов с большой длительностью импульсов при малой емкости используемых конденсаторов. Схема ждущего мультивибратора, использующего микросхему К561ИЕ16, приведена на рис. 322. В исходном состоянии на выходе счетчика DD2 - лог. 1, запрещающая работу генератора на элементах ИЛИ-НЕ DD1.1 и DD1.2. При подаче импульса положительной полярности на вход устройства счетчик DD2 обнуляется, на его выходе появляется лог. 0, разрешающий работу генератора. После того как счетчик отсчитает 2^13 импульса, на его выходе появится лог. 1, запрещающая работу генератора. Таким образом, по фронту импульса на входе запуска на выходе устройства формируется импульс отрицательной полярности длительностью 213 периода импульсов задающего генератора. Интересно отметить,
|
| |
| |
| SlaVe4U | Дата: Среда, 12.01.2011, 03:59 | Сообщение # 62 |
|
Главный Администратор
Группа: Администраторы
Сообщений: 320
Награды: 23
Репутация: 222
Статус: Offline
| что при этом на выходе 2^12 формируется им-пульс положительной полярности вдвое меньшей длительности, оканчивающийся одновременно с основным, на выходе 2^11 - два импульса и так далее (рис. 323). Поскольку формирование выходного импульса всегда начинается из одного и того же состояния задающего генератора, исключается случайная погрешность длительности импульса, связанная с неопределенностью фазы генератора. Ждущий мультивибратор можно собрать всего на одной микросхеме К176ИЕ5 (рис. 324). Работает этот ждущий мультивибратор так же, как и описанный выше, но генератор собран на инверторах, предназначенных для кварцевого генератора микросхемы. Для запрета его работы лог. 1 с выхода 15 микросхемы подается на вход цепочки инверторов генератора через диод VD1. При подаче импульса на вход запуска лог. 0 с выхода 15 микросхемы закрывает диод VD1, и он не мешает нормальной работе генератора. Длительность формируемого импульса ждущего мультивибратора по схеме рис. 324 составляет 2^14 периода задающего генератора. Так же, как и в описанном выше ждущем мультивибраторе, на предпоследнем выходе счетчика 14 формируется импульс положительной полярности вдвое меньшей длительности, на выходе 9 - пачка из 32 импульсов. При необходимости кварцевой стабилизации длительности формируемых импульсов следует воспользоваться схемой рис. 325, поскольку включать и выключать кварцевый генератор так, как RC-генератор, нельзя. К сожалению, ждущему мультивибратору по схеме рис. 325 присуща случайная погрешность длительности импульса порядка периода кварцевого генератора. При использовании в этой схеме в качестве DD1 микросхемы К176ИЕ5, К176ИЕ12, К176ИЕ18 сигнал с выхода элемента DD1.2 следует подавать на входы Z этих микросхем. Описанным выше ждущим мультивибраторам с делением частоты свойственен недостаток, связанный с тем, что при подаче питания они вырабатывают на своем выходе импульс неопределенной длительности, не превышающий, однако, длительности импульса, на который он рассчитан. Если длительность запускающего импульса не превышает половины периода задающего генератора, дифференцирующая цепочка в пусковой цепи описанных выше ждущих мультивибраторов не нужна. Ждущим мультивибраторам с делением частоты также присуще свойство перезапуска, аналогично микросхеме КР1561АГ1, - если во время формирования выходного импульса придет очередной запускающий, отсчет длительности импульса начнется заново от последнего запускающего импульса. Сопротивление резисторов, входящих в дифференцирующие цепи, во времязадающие цепи всех описанных в разделе мультивибраторов и генераторов следует выбирать так, чтобы токи через них не слишком нагружали микросхемы-источники сигнала, - не менее нескольких десятков килоом. Сверху сопротивления этих резисторов ограничены величиной порядка десятков мегаом из-за возможных утечек монтажных плат. Емкость конденсаторов указанных цепей должна существенно превышать емкость монтажа и входную емкость микросхем, то есть, как правило, быть не менее 100 пФ. При подаче на вход микросхемы сигнала через конденсатор последовательно со входом микросхемы ограничительный резистор можно не ставить, если ток через ограничительные диоды при переходных процессах не превысит 20 мА, например при подаче сигналов от стандартных микросхем КМОП при напряжении питания менее 9 В. Если напряжение питания больше 9 В или сигналы на дифференцирующие цепи подаются с выходов микросхем КМОП с повышенной нагрузочной способностью или от других низкоомных источников сигнала, последовательно со входом следует установить ограничительный резистор сопротивлением 3...10 кОм. При разработке генераторов и ждущих мультивибраторов следует в непосредственной близости от используемых микросхем установить керамический блокировочный конденсатор емкостью не менее 0,022 мкФ, это исключит возможность появления паразитной высокочастотной генерации, иногда возникающей при плавном переключении микросхем и отсутствии блокировочных конденсаторов.
|
| |
| |
| SlaVe4U | Дата: Среда, 12.01.2011, 04:02 | Сообщение # 63 |
|
Главный Администратор
Группа: Администраторы
Сообщений: 320
Награды: 23
Репутация: 222
Статус: Offline
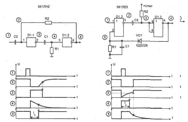
| 41 системах передачи информации для ослабления влияния случайных флуктуаций, а также для управления в устройствах автоматики нередко требуется из коротких импульсов получать более широкие, определенной длительности. Эта задача легко реализуется с помощью ждущего мультивибратора (одновибратора). Одновибратор является триггерной схемой, которая генерирует одиночный импульс под действием внешнего управляющего сигнала. При этом подразумевается, что формируемый импульс превышает длительность запускающего. Как правило, применяют один из двух методов формирования импульса: аналоговый или цифровой. Наиболее простым является аналоговый — используется процесс перезаряда конденсатора. Рис. 1.9 Формирователь широкого импульса с использованием триггера Шмитта Пример такой схемы показан на рис. 1.9. Для правильной работы данного одновибратора необходимо, чтобы длительность входного запускающего импульса была достаточно большой, чтобы конденсатор успел полностью разрядиться. После окончания запускающего импульса конденсатор заряжается через резистор до величины напряжения питания. При этом, как только напряжение достигнет Uпор — элемент D2.1 переключится. В этом случае длительность выходного импульса (tи) зависит от номиналов установленных емкости и резистора во времязадающей цепи. Упрощенная формула позволяет ориентировочно рассчитать длительность импульса: 
|
| |
| |
| SlaVe4U | Дата: Среда, 12.01.2011, 04:04 | Сообщение # 64 |
|
Главный Администратор
Группа: Администраторы
Сообщений: 320
Награды: 23
Репутация: 222
Статус: Offline
| В отличие от простейшего варианта (рис 1.9) схемы, приведенные на рис. 1.11...1.14 не чувствительны к длительности входного импульса, из-за чего наиболее широко применяются в аппаратуре. Схемам, рис. 1.9, 1.15...1.17, присуще свойство перезапуска, т. е. если во время формирования выходного импульса появляется очередной запускающий, то отсчет длительности формируемого импульса начнется заново от момента окончания последнего запускающего. Применяемые в схемах диоды ускоряют процесс перезаряда емкости, что уменьшает возможности возникновения импульсных помех на выходе ЛЭ. Чтобы выходное сопротивление ЛЭ не сказывалось на точности расчета, а также не перегружался выход, резистор R1 должен быть номиналом не менее 10... 20 кОм. Чтобы пренебречь при расчетах емкостью монтажа, минимальная емкость С1 может быть 200... 600 пФ. Для получения высокой температурной стабильности временного интервала номинал R1 должен быть < 200 кОм, а конденсатор не более 1, 5 мкФ. Использование электролитических конденсаторов увеличивает нестабильность временного интервала. Для уменьшения влияния разброса значений Unop на длительность формируемого импульса можно воспользоваться схемами с двумя времязадающими цепями (рис. 1. 18). Если постоянные времени обеих времязадающих цепей одинаковы, то при максимальном разбросе значений Unop от 0, 33Uпит до 0,69Uпит изменение длительности формируемого импульса не превышает 9%. Выполнение одновибраторов на RS-триггере, рис. 1. 19 и 1. 20, дает возможность иметь два раздельных входа запуска (по переднему фронту импульса), а также сразу получать на выходах прямой импульс и импульс с инверсией. Еще одним преимуществом одновибраторов на RS-триггерах является возможность осуществлять запуск от медленно меняющегося входного напряжения. Длительность подаваемых на вход S запускающих импульсов должна быть меньше формируемого (режим, когда на входах S и R одновременно присутствует лог. "1", является запрещенным). На входе С длительность запускающего импульса может быть любой. Диод VD1 ускоряет разряд конденсатора через выход триггера и позволяет увеличить частоту запускающих импульсов (его применение уменьшает время восстановления схемы). Длительность формируемых им пульсов составляет приблизительно tи=0,69R1C1. Минимальное значение сопротивления R1 ограничено максимально допустимым выходным током триггера Его можно менять в пределах 20 кОм...10 МОм, при этом длительность импульса будет меняться в 500 раз. Одновременное изменение значений R1 и С1 позволяет регулировать длительности импульсов в пределах четырех порядков. Схема на рис. 1.19в обеспечивает более стабильные импульсы при изменении питающего напряжения (аналогичную схему можно собрать и на JK-триггерах). Для увеличения крутизны спадов выходных импульсов применяют схемы показанные на рис. 1.20, но в них конденсаторы С1 должны быть неполярными. При этом длительность генерируемого импульса при тех же значениях RC-цепи, что и в схемах на рис. 1.18, получается примерно в 2 раза больше.
|
| |
| |
| SlaVe4U | Дата: Среда, 12.01.2011, 04:07 | Сообщение # 65 |
|
Главный Администратор
Группа: Администраторы
Сообщений: 320
Награды: 23
Репутация: 222
Статус: Offline
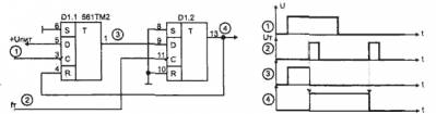
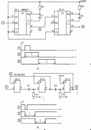
| Рис 1.21. Ждущий мультивибратор с повышенной стабильностью Лучшую стабильность при изменении напряжения питания по сравнению с представленными на рис. 1.19 вариантами обеспечивает схема одновибратора на двух триггерах, рис 1. 21. Кроме того, в этом случае подключение нагрузки не влияет на длительность генерируемых импульсов. Схема состоит из двух одновибраторов, имеющих общий вход запуска, но вырабатывающих на независимых выходах импульсы разной длительности. Импульсы на выходе 5 почти не будут зависеть от напряжения питания. Рис. 1. 22 Схемы формирователей задержанного импульса. Ждущий универсальный одновибратор можно выполнить на специально предназначенной для этих целей микросхеме (рис 1. 22а). В одном корпусе 564АГ1 (1561АГ1) имеется два одновибратора, обладающих, в зависимости от комбинации управляющих сигналов на входе, свойством обычного запуска по переднему (вход S1) или заднему фронту (S2), а также при необходимости может перезапускаться. Вход R является приоритетным по отношению к осталь ным входам и устанавливает значение сигнала Q=0 (если вход R не используется, то подключается к +Uпит). Длительность формируемого сигнала (tи, Q=1) задается соответствующей внешней RC-цепью: tи=0,5RC для С>0,01 мкФ. Более точно определить позволяет приводимая в справочнике [Л8] диаграмма. 
|
| |
| |
| SlaVe4U | Дата: Среда, 12.01.2011, 04:09 | Сообщение # 66 |
|
Главный Администратор
Группа: Администраторы
Сообщений: 320
Награды: 23
Репутация: 222
Статус: Offline
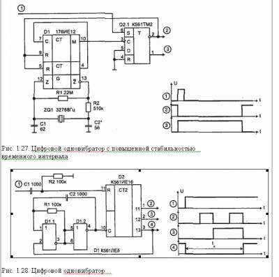
| Рис. 1. 26 Цифровой одновибратор на программируемом счетчике. Принцип работы цифрового одновибратора основан на включении триггера входным сигналом и отключении через временной интервал, определяемый коэффициентом пересчета счетчика. Использование в одновибраторе счетчиков с переключаемым коэффициентом деления, рис. 1.26, позволяет получить импульс любой длительности. Микросхема 564ИЕ 15 состоит из пяти вычитающих счетчиков, модули пересчета которых программируются параллельной загрузкой данных в двоичном коде. На загрузку чисел в счетчики требуется три такта, поэтому можно устанавливать коэффициент деления N>3 [Л2]. М Nmax 2 17331 4 18663 5 13329 8 21327 10 16659 Номер вывода мк/сх Логический уровень для модуля М 2 4 5 8 10 # 14 1 0 1 0 X X 13 1 1 0 0 1 0 11 1 1 1 1 0 0 В таблице приведены максимально возможные коэффициенты деления в зависимости от значения М. При значениях М=0 счет запрещен. Сигнал на входе S управляет режимом периодического (0) и однократного (1) счета. Двоичный код для разных значений модуля М берется из таблицы 1.3 (# — запрет счета, х — любое состояние, лог. "О" или "1"). Общий коэффициент деления микросхемы определяется по формуле: N=M(1000P1+100P2+10P3+P4)+P5 . При работе цифрового одновибратора с кварцевым автогенератором тактовой частоты обеспечивается более высокая стабильность длительности выходного импульса, что позволяет их применять в измерительных приборах. 
|
| |
| |
| SlaVe4U | Дата: Среда, 12.01.2011, 04:09 | Сообщение # 67 |
|
Главный Администратор
Группа: Администраторы
Сообщений: 320
Награды: 23
Репутация: 222
Статус: Offline
| На рис. 1.27 показан пример простейшей схемы для получения импульса с помощью счетчика. Работу одновибраторов поясняют диаграммы, показанные на рисунках. Общим недостатком приведенных на рис 1.27 и 1.28 схем является случайная погрешность, связанная с произвольностью фазы задающего генератора в момент запуска. Погрешность может составлять до периода тактовой частоты и уменьшается с увеличением частоты генератора и коэффициента пересчета счетчика. Устранить этот недостаток позволяет схема на рис. 1.28 (генератор включается при появлении запускающего импульса). В исходном состоянии на выходе счетчика D2/3 (4) присутствует напряжение лог. "1", что запрещает работу автогенератора на D1.1, D1.2. Запускающий импульс обнуляет счетчик D2, и на его выходе D2/3 будет лог. "0" до момента, пока он не досчитает до появления на D2/3 лог. "1". Поскольку формирование выходного импульса всегда начинается из одного и того же состояния задающего генератора, то исключена случайная погрешность длительности импульса, но эта схема имеет другой недостаток: при включении питания она формирует на выходе импульс неопределенной длительности (в пределах заданного интервала). Схеме присуще свойство перезапуска в случае, если во время формирования выходного импульса появляется очередной запускающий (отсчет длительности формируемого импульса начинается заново). 
|
| |
| |
| SlaVe4U | Дата: Среда, 12.01.2011, 04:10 | Сообщение # 68 |
|
Главный Администратор
Группа: Администраторы
Сообщений: 320
Награды: 23
Репутация: 222
Статус: Offline
| 43 Одновибраторы предназначены для вырабатывания одиночных импульсов с заданной длительностью. При этом длительность запускающего импульса особой роли не играет, лишь бы она была не больше длительности вырабатываемого одновибратором импульса, т.е. tи зап<tи, где tи зап - длительность запускающего импульса; tи - длительность выходного импульса одновибратора. Схема одновибратора приведена на рис. 4.8, а. Он выполнен на двух элементах логики типа 2И-НЕ путем введения положительной обратной связи (выход второго элемента соединен с входом первого). В исходном состоянии на выходе элемента Э2 имеется уровень “1”, а на выходе элемента Э1- “0”, так как на обоих его входах имеется “1”(запускающие импульсы представляют отрицательный перепад напряжения). При поступлении на вход запускающего отрицательного перепада напряжения на выходе первого элемента появится уровень “1”, т.е. положительный скачок, который через конденсатор С поступит на вход второго элемента. Элемент Э2 инвертирует этот сигнал и уровень “0” по цепи обратной связи подается на второй вход элемента Э1. На выходе элемента Э2 поддерживается уровень “0” до тех пор, пока не зарядится конденсатор С до уровня Uc пор = U1 - Uпор, а напряжение на резисторе R не достигнет порогового уровня Uпор (рис. 4.8, б). Длительность выходного импульса одновибратора может быть определена с помощью выражения Длительность выходного импульса одновибратора может быть определена с помощью выражения , где Rвых - выходное сопротивление первого элемента. Uпор - пороговое напряжение логического элемента. Управляемые генераторы вообще и одновибраторы в частности радиолюбители чаще всего выполняют на типовых микросхемах групп АГ и ГГ. Между тем нестандартные реализации таких генераторов, кроме оптимизации конструкции, подчас предопределяют появление ряда новых интересных эффектов и свойств того или иного устройства в целом. Однако публикаций на эту тему в "Радио" и другой популярной литературе очень немного. Автор этой статьи делится опытом в освоении управляемых одновибраторов, построенных по нетривиальной схеме. Описанный в [1] (схема - на рис. 8,а) одновибратор на триггере обладает довольно широкими возможностями, однако ему присущи и некоторые недостатки. Во-первых, зарядка конденсатора С1 происходит через выходное сопротивление триггера. На рис. 1 ,а показан фрагмент схемы этого одновибратора с времязадающими цепями, выходное сопротивление Rвых условно показано вне триггера. Изменение Rвых влияет на длительность формируемого импульса. Во-вторых, велико (относительно длительности формируемого импульса) время восстановления напряжения на конденсаторе до заданного уровня. В-третьих, отсутствует функциональная возможность электронного управления длительностью выходного импульса, что сужает область применения узла. Рассмотрим цепи зарядки и разрядки конденсатора С1 в одновибраторе. На этапе формирования временного интервала Tо конденсатор заряжается от 0 (точнее, от остаточного напряжения) до порогового напряжения Uпор по цепи: плюсовой вывод источника питания- Rвых-R1-С1-общий провод. На этапе восстановления конденсатор разряжается от Uпор до 0 сначала через диод VD1 и выходное сопротивление Rвых, а в конце, когда закрывается диод VD1, - через резистор R1. Диод практически полностью закрывается при уменьшении напряжения на нем ниже 0,5...0,6 В, и конденсатор заканчивает разрядку с такой же постоянной времени, как и при формировании временного интервала. Таким образом, при ужесточении требований к остаточному напряжению на конденсаторе время восстановления увеличивается, ограничивая допустимую частоту следования импульсов при заданной погрешности восстановления. Конечно, время восстановления может быть существенно уменьшено для приведения конденсатора в исходное состояние применением дополнительного
|
| |
| |
| SlaVe4U | Дата: Среда, 12.01.2011, 04:12 | Сообщение # 69 |
|
Главный Администратор
Группа: Администраторы
Сообщений: 320
Награды: 23
Репутация: 222
Статус: Offline
| разрядного транзистора, однако это усложнит и удорожит конструкцию. Оказывается, уменьшить время восстановления одновибратора и расширить его функциональные возможности можно без усложнения довольно простым путем. В одновибраторе по схеме на рис. 1 ,б деталей столько же, но правый вывод резистора R1 подключен к плюсовому проводу питания. Здесь выходное сопротивление триггера не влияет на длительность зарядки конденсатора С1. Конденсатор С1 заряжается от напряжения Uд на диоде VD1 до Uпор по цепи: плюсовой провод питания-резистор R1-конденсатор С1-общий провод, а разряжается - от Uпор до Uд через диод VD1-выходное сопротивление Rвых. Таким образом, в одновибраторе по схеме на рис. 1 ,б, во-первых, отсутствует влияние выходного сопротивления триггера на формируемый временной интервал, и, во-вторых, исключена вторая часть этапа восстановления (разрядка конденсатора через резистор), увеличивающая общее время восстановления. Действительно, диод после завершения формирования одновибратором заданного промежутка времени остается открытым током, протекающим через резистор R1. Сопротивление диода остается малым, что и обеспечивает быстрое восстановление исходного напряжения на конденсаторе. Правда, это несколько увеличивает расход мощности одновибратором в режиме ожидания. На рис. 2 показаны диаграммы напряжения на входе R триггера на этапе восстановления для одновибратора по схеме рис. 1 ,а (кривая 1) и рис, 1 ,б (кривая 2). В обоих случаях разрядка конденсатора до напряжения закрывания диода Uд (для кремниевого диода - около 0,5...0,6 В) практически заканчивается к моменту t1. Для второго случая восстановление на этом практически заканчивается, поэтому время восстановления близко к t1-t0. В первом же случае конденсатор должен разрядиться почти до нуля, но из-за того, что после момента t1 диод закрыт, разрядка затягивается и даже через время R1-C1 напряжение на конденсаторе будет равно 0,6/е = 0,2 В (е - основание натурального логарифма). Поэтому время восстановления здесь существенно больше. Одновибратор по схеме рис. 1 ,б обладает еще одним существенным преимуществом - на вывод резистора R1 может быть подано напряжение не с плюсового провода питания, а например, от источника с регулируемым напряжением, чем достигается возможность управления длительностью импульса электронным способом изменением напряжения на выводе резистора. Схема управляемого одновибратора изображена на рис. 3, а характеристики управления - на рис.4,кривая 1. Отметим, что при равенстве значений постоянной времени RC-цепи одновибраторов по рис. 1,а и 3 и Uynp = Uпит длительность То выходного импульса второго несколько меньше, чем первого. Причина этого состоит в том, что конденсатор С1 второго одновибратора заряжается не от нуля, а от некоторого начального напряжения Uд, поэтому конденсатор зарядится до Uпор за меньшее время. Интервал значений управляющего напряжения должен удовлетворять условию: Uпор< Uупр< Uпит (1), что соответствует кривой 1 на рис.4. В случаях, когда такой интервал окажется неудобным, его можно расширить до 0 < Uупр < Uпит (2) введением еще одного резистора-R2-примерно такого же номинала, как показано на рис. 5. Характеристика управления для этого случая показана на рис. 4, кривая 2. Если одновибратором управляет операционный усилитель, выбором R1=3R2 интервал управления можно расширить до -Uпит<Uупр<+Uпит (3) - этот вариант иллюстрирует кривая 3 на рис. 4. Если необходимо сделать управляемым уже готовый одновибратор, выполненный по схеме рис. 1,а, достаточно ввести в него дополнительный резистор, подобно R1 - на рис. 5. Для сохранения длительности импульса при Uупр=Ugbn не обходимо, чтобы сопротивление параллельно соединенных R1 и R2 (по рис. 5) было равно сопротивлению R1 в исходном узле - это условие (4).
|
| |
| |
| SlaVe4U | Дата: Среда, 12.01.2011, 04:12 | Сообщение # 70 |
|
Главный Администратор
Группа: Администраторы
Сообщений: 320
Награды: 23
Репутация: 222
Статус: Offline
| Следует учесть, что в одновибраторах по рис. 1 ,б, 3 и 5 резисторы служат для того, чтобы задать некоторый ток, заряжающий конденсатор С1. Этот ток может быть обеспечен в отсутствие резисторов внешним источником управляющего тока, собранным, например, на р-п-р транзисторах. Подобное решение позволяет реализовать обратно пропорциональную зависимость длительности формируемого импульса от управляющего тока. Номиналы резисторов одновибраторов по схеме на рис. 3 и 5 допустимо варьировать в широких пределах - от 10 кОм и более, конденсаторов - от 100 пФ и более. Для обеспечения возможности увеличения емкости конденсатора необходимо последовательно с диодом включить еще один резистор, ограничивающий ток разрядки конденсатора. Длительность импульса при Uупр=Uпит, имея в виду условие (4), нужно оценивать по соотношениям, изложенным в [1]. Рассмотренный управляемый одновибратор требует для реализации 1/2 корпуса микросхемы, а описанный, например, в [2] (на рис. 2) - 3/4 корпуса. Вообще же, RS-триггер для одновибратора может быть выполнен на различных логических элементах и узлах цифровой техники [3]. Соединение в кольцо двух одновибраторов позволяет реализовать управляемый по двум входам импульсный генератор с широким перекрытием по частоте и скважности.
|
| |
| |
| SlaVe4U | Дата: Среда, 12.01.2011, 04:14 | Сообщение # 71 |
|
Главный Администратор
Группа: Администраторы
Сообщений: 320
Награды: 23
Репутация: 222
Статус: Offline
| 45 Процесс формирования импульса развивается совершенно так же, как в схеме с рис. 6.20. Поэтому соотношения для ta, фр и tcv не изменяются. Процесс формирования импульса такой же, как в схеме с кЯб / Р, не восстановление происходит несколько иначе. Схема подмодулятора с блокинг-генератором для управления жестким коммутатором. Процесс формирования импульсов в подмодуляторе происходит в следующем порядке. Процесс формирования импульсов при наличии в резонаторной полости диспергирующих и нелинейных элементов во многом аналогичен формированию оптических солитонов. Формирующая схема с разомкнутой однород - Сг и С2 - постоянные интегрирова-ной линией. ния, определяемые из условий. Процесс формирования импульсов может быть объяснен следующем образом. Вследствие того, что в момент замыкания ключа К ( рис. 2.3) входное сопротивление заряженной до напряжения Е линии равно ее волновому сопротивлению, которое равно сопротивлению нагрузки. График зависимости коэффициента передачи мощности от Гд / W.| Формирующая схема с коротко-замкнутой однородней линией. Процесс формирования импульса в короткозамкнутой линии аналогичен процессу в разомкнутой линии. Транзисторный генератор с применением под-жига.| Полная схема силовой цепи. Рассмотрим процесс формирования импульса тока в описанных выше транзисторных генераторах. Рассмотрим процесс формирования импульсов трапецеидальной формы из синусоидального напряжения ( рис. 18.13 6) на конкретном числовом примере. Рассмотрим процесс формирования импульсов прямоугольной формы на активном сопротивлении ZH гв разомкнутыми и короткозамкну-тыми отрезками однородных линий. Анализ процессов формирования импульсов в блокинг-генераторах и транзисторах может быть проведен графоаналитическим методом с использованием импульсных характеристик транзистора, аналогично рассмотрению, проведенному выше для ламповой схемы. В процессе формирования импульса можно выделить режим установления напряжения и тока, протекающего через сопротивление нагрузки, и установившийся режим, который наступает после того как затухнут все нестационарные процессы в трансформаторной цепи. Установившийся режим является основным рабочим режимом и будет называться далее режимом согласования. Все параметры цепи, характеризующие этот режим во время его существования остаются постоянными, так как напряжение на нагрузке в режиме согласования постоянно или почти постоянно. Рассмотрим теперь процесс формирования импульсов в схеме ключ - дифференцирующая ЯС-цепь с учетом выходного сопротивления ключа. Рассмотрим теперь кратко процесс формирования импульсов из шума и свойства излучения лазера вне области синхронизации, где устанавливаются многоимпульсные режимы или могут существовать нестационарные режимы. Последовательное развитие ультракороткого импульса в лазере на стекле с неодимом. Излучение регистрировалось за 1200 не ( а, 900 не ( б, 600 не ( в, 300 не ( г до максимума цуга импульсов. ( По Захарову и др.. Рисунок ясно показывает процесс формирования периодически воспроизводящегося импульса из стохастических флуктуации излучения. Следует подчеркнуть, что в этой работе было обнаружено существование в твердотельных лазерах с пассивной синхронизацией мод двух различающихся порогов. При превышении первого порога ( порога генерации лазера) начинается процесс генерации в форме стохастических флуктуации свободных колебаний поля. Блок-схема формирования сигнала синхронизации приемников. Для облегчения понимания процесса формирования импульсов в блок-схеме опущены усилители, буферные каскады и ограничители, придающие нужную форму импульсам, снимаемым с мультивибраторов. Упрощен и сам процесс формирования. Во всех рассмотренных схемах ТТМ процесс формирования импульса протекает аналогично и не отличается от соответствующего процесса в транзисторном мультивибраторе с коллекторно-базовыми связями. В предыдущих разделах был рассмотрен процесс формирования импульса при однократном запуске ждущего мультивибратора. Наиболее сильно это изменение длительности проявляется в режиме малой скважности выходных импульсов. Предполагается, что момент окончания процесса формирования импульса определяется выходом транзистора из насыщения на границу активной области.
|
| |
| |
| SlaVe4U | Дата: Среда, 12.01.2011, 04:16 | Сообщение # 72 |
|
Главный Администратор
Группа: Администраторы
Сообщений: 320
Награды: 23
Репутация: 222
Статус: Offline
| Наряду с возможно меньшей вероятностью срыва процесса формирования импульсов другим важным параметром, характеризующим качество синхронизации мод в лазере, является возможно меньшее значение вероятности образования двойных импульсов. Схема фантастрона с времязадающим мостовым элементом. При выполнении этих условий ускоряется перезаряд конденсаторов в конце процесса формирования импульса и фиксируются напряжения на конденсаторах с помощью диодов Д на почти нулевом уровне. Этим исключается влияние нестабильности источников питания на стабильность периода колебаний. С момента закрывания триода конденсатор С, заряженный в процессе формирования импульса до напряжения е2, начнет разряжаться. Все это время, пока напряжение на конденсаторе не достигнет нулевого значения, триод будет закрыт, и напряжение на первичной обмотке трансформатора будет равно нулю. Скорость накачки Р после достижения порога генерации лазера в течение процесса формирования импульсов может считаться постоянной, так как этот процесс протекает за малое по сравнению с длительностью накачки время. Энергия, запасаемая в неоднородных линиях и конденсаторе Сд, полностью расходуется на сопротивлении гн в процессе формирования импульса. Закон изменения волнового сопротивления трансформирующей линии.| Характеристика спада вершины трансформируемого импульса. Стремление увеличить отношение амплитуды формируемого импульса к величине напряжения источника, питающего схему, привело к построению устройств, в которых процесс формирования импульса органически сочетается с процессом его трансформации. Один из вариантов схемы такого устройства ( рис. 5 - 83) включает два отрезка неоднородных линий. Модулятор с колебательным зарядом накопителя через. На рис. 160, а представлена принципиальная схема такого модулятора, а на рис. 160, б - временные диаграммы напряжений, поясняющие процесс формирования импульсов. Схема ждущего блокинг-гемератора.| Структурные схемы ГПН. Для запуска БГ подается отрицательный импульс на базу или положительный на коллектор. Процесс формирования импульса в ждущем Б Г не отличается от аналогичного процесса в режиме автоколебаний. Положительный запускающий импульс подается на ее сетку, а усиленный импульс отрицательной полярности с анода поступает через трансформатор на сетку лампы Л, блокинг-генератора в положительной полярности. Начинается процесс формирования импульса, а понижение напряжения на анодах ламп приводит к запиранию лампы Л2 и разобщению схем запуска и блокинг-генератора. Схема центровки растра по вертикали ( буквами Д и Ж. Генератор представляет собой двухкаскадный усилитель, выход которого соединен со входом. В процессе формирования импульса обратного хода оба транзистора работают в ключевом режиме и открываются до насыщения. При этом происходит заряд конденсатора С39 по цепи: источник напряжения 29 В, R76, эмиттерный переход транзистора Tl, C39, коллекторный и эмиттерные переходы транзистора Т2, диод Д9, корпус. Заряд конденсатора С46 происходит по цепи: источник напряжения 29 В, R76, эмипсрный и коллекторные переходы транзистора 77, С46, эмиттерный переход транзистора Т2, диод Д9, корпус. Резистор R6S выполняет роль общей коллекторной нагрузки.
|
| |
| |
| SlaVe4U | Дата: Среда, 12.01.2011, 04:16 | Сообщение # 73 |
|
Главный Администратор
Группа: Администраторы
Сообщений: 320
Награды: 23
Репутация: 222
Статус: Offline
| Принципиальная схема и временная диаграмма работы простого одно-вибратора.| Принципиальная схема и временная диаграмма работы стабильного одно-вибратора. Как только напряжение на базе станет равным напряжению открывания транзистора VT1, он открывается и на выходе элемента D1 устанавливается напряжение высокого уровня. На этом процесс формирования импульса заканчивается. Задним фронтом четвертый импульс опрокидывает триггеры Тг1 и Тг2 в нулевое, а триггер ТгЗ - в единичное состояние. В дальнейшем процесс формирования импульсов частотных компонент протекает аналогично описанному. В предыдущих разделах был рассмотрен процесс формирования импульса при однократном запуске мультивибратора. Было показано, что после формирования выходного импульса начинается процесс восстановления напряжения на времязадающем конденсаторе, которое изменяется по экспоненциальному закону. Наиболее сильно это изменение длительности проявляется в режиме малой скважности выходных импульсов. Заряд накопительной линии чаще всего производят от высоковольтного выпрямителя. Широкое распространение имеет резонасный способ заряда накопителя энергии. Напомним, что в конце процесса формирования импульса линия разряжается полностью и на ней ( а также на аноде тиратрона) создается нулевое напряжение. Вольт-амперная характеристика, закрытого эмиттер ного перехода. Потенциал коллектора 7 при этом несколько выше нуля, а диод запуска закрыт напряжением Ек. Это исключает влияние источника запускающих импульсов на процесс формирования импульса мультивибратора. Формирование импульса заканчивается после окончания процесса разряда конденсатора и выхода транзистора 7 из режима насыщения. Виды искажений телеграфного сигнала. Переменные временные преобладания вызываются действием помех, переходными процессами в схемах, а также влиянием условий распространения. Оценка влияния переходных процессов на величину временных преобладаний позволяет сформулировать требования к полосе пропускания разделительных фильтров. Чтобы оценить влияние переходных процессов, рассмотрим процесс формирования импульсов постоянного тока в схеме частотного детектора.
|
| |
| |
| SlaVe4U | Дата: Среда, 12.01.2011, 04:16 | Сообщение # 74 |
|
Главный Администратор
Группа: Администраторы
Сообщений: 320
Награды: 23
Репутация: 222
Статус: Offline
| Таким образом в процессе разряда на сопротивлении нагрузки возникает и существует импульс напряжения с амплитудой U / 2 и длительностью т, в чем и заключается процесс формирования импульса. Аналогичное положение имеет место и при заряде линии. Временные графики, иллюстрирующие действие микропроцессорного синхронизатора АС-М. Необходимо также обеспечить равенство напряжений генератора и сети с заданной точностью, которая является настроечным параметром синхронизатора и может быть установлена равной 3, 5, 7, 9 % номинального напряжения. Если разность напряжений превышает заданное значение, то в зависимости от знака разности формируется соответствующий импульс, воздействующий на уставку АРВ. Формирование импульса на включение генератора происходит лишь после достижения допустимой частоты скольжения и уравнивания напряжений генератора и сети. В процессе формирования импульса синхронизатор вычисляет угол опережения 8ОП, при котором обеспечивается условие (13.8) и успешное включение генератора. Синхронизатор обладает однократностью действия. Для сигнального множества, которое может представляться в координатах фаза-амплитуда, такого как MPSK или MQAM, уравнение (4.65) позволяет сделать интересное наблюдение. Из него видно, что квадратурная реализация передатчика сводит все типы передачи сигналов к единственной амплитудной модуляции. Каждый вектор на плоскости передается посредством амплитудной модуляции его синфазной и квадратурной проекций на синусоидный и косинусоидный компоненты его несущей. В каждом случае процесс формирования импульса считается идеальным, т.е. предполагается, что информационные импульсы имеют идеальные прямоугольные формы. В четвертой главе развита теория параметрической неустойчивости второго рода. Ее причиной является нормальный эффект Доплера, носящий кинематический характер. Выведен критерий неустойчивости второго рода и развит метод нахождения областей параметрического возбуждения импульсов в системах с периодически колеблющимися границами. Исследованы процессы формирования импульсов из синусоидальных начальных возмущений. Рассмотрены две системы, в которых параметрическая неустойчивость второго рода возникает не за счет движения границы, а в результате периодического изменения распределенных параметров. Приведены данные экспериментальных исследований, подтверждающие результаты теоретических расчетов.
|
| |
| |
| SlaVe4U | Дата: Среда, 12.01.2011, 04:17 | Сообщение # 75 |
|
Главный Администратор
Группа: Администраторы
Сообщений: 320
Награды: 23
Репутация: 222
Статус: Offline
| 47 47 НАПРЯЖЕНИЕ - ПРЯМОУГОЛЬНАЯ ФОРМА Напряжение прямоугольной формы получается с выхода лампы пентода, на управляющую сетку которой подано переменное напряжение большой амплитуды частотой в 5000 или 50 гц. Напряжение прямоугольной формы получается при большом коэффициенте усиления в цепи обратной связи генератора из-за явлений отсечки 18.2. Кривая зависимо-и насыщения транзистора. Принципиальная схема электронного коммутатора. Напряжения прямоугольной формы, создаваемые симметричным мультивибратором, выполненным на двойном триоде Л3, изменяются на анодах лампы в про-тивофазе и подаются через разделительные конденсаторы С5 и С8 на антидинатронные сетки ламп усилителей. В результате этого лампы попеременно запираются и на нагрузке также попеременно создаются усиленные исследуемые напряжения. Напряжение прямоугольной формы ( кривая /) по дается на осциллограф с эквивалентной нагрузки. Некоторый завал вершин и округление правого угла происходят из-за небольших фазовых искажений и уменьшения усиления на низких частотах. Напряжение прямоугольной формы с выхода модулятора через дифференцирующую емкость С7 подается на базу триггерного каскада. Триггер, построенный на транзисторах ТЗ, Т4, имеет два устойчивых состояния. Импульсы, образующиеся при прохождении через С7 прямоугольного напряжения, опрокидывают триггер. При этом через обмотку / / / трансформатора ТрЗ проходит ток. Появление напряжения на выходе лампового каскада и модулятора приводит к перекидыванию триггера два раза за период опорного напряжения, поэтому на обмотке / / / трансформатора ТрЗ появляется напряжение прямоугольной формы. Фаза этого напряжения зависит от полярности напряжения на выходе лампового каскада. Ток базы ТЗ и коллектора Т4 задается от выпрямленного и сглаженного напряжения вторичной обмотки VI трансформатора Tpl. Ток базы Т4 и коллектора ТЗ задается от обмотки VII того же трансформатора. Для напряжения прямоугольной формы, например, как видно из рис. 5.14, б, благодаря динамическому смещению напряжение на выходе во время положительного полупериода лишь незначительно превышает нулевой уровень или, как говорят, фиксируется на нулевом уровне сверху. При изменении амплитуды входного напряжения режим фиксации нарушается только на время переходного процесса, связанного с дозарядом ( если амплитуда увеличилась) или разрядом ( если амплитуда уменьшилась) конденсатора до нового стационарного значения, определяемого величиной амплитуды входного напряжения. Генераторы напряжения прямоугольной формы ( по большей части меандра) разделяются по принципу действия на электромеханические и электронные. Импульс напряжения прямоугольной формы ( рис. 14 - 51, а) подводится к цепи, содержащей последовательно соединенные активное сопротивление г и конденсатор емкостью С. Волна напряжения прямоугольной формы и91 105 кв, распространяясь по воздушной линии длиной /, 60 км ( Lt 1 67 мен км, C, 6 7 - Gr3 мкф / км) и разомкнутой вначале, достигает соединения с кабельной линией длиной 1 г 30км ( L 0 33 лггм / кж, С. Модулятор подает напряжение прямоугольной формы а клистрон. Согласователь № il обеспечивает передачу в тракт максимальной мощности. Аттенюатор развязки № 1 служит для установки такого уровня мощности, при котором в болометр проходит максимальная допустимая мощность. Он поддерживает постоянство нагрузки как со стороны генератора, так и со стороны тракта. Обычно он дает ослабление порядка 10 дб. С помощью волномера устанавливается требуемое значение частоты генератора. Структурная схема прибора ГИСЦТ. Триггер формирует напряжение прямоугольной формы из синусоидального напряжения, чем осуществляется жесткая связь между частотой кадров и частотой питающей сети. Импульсы частотой 543 Гц после дифференцирования поступают на базу транзистора Тз. Тз остается запертым на время длительности трех строк, начиная с фронта импульса частотой 50 Гц. В отсутствие сигнала на базе транзистор Т3 всегда открыт и представляет свбой малое сопротивление для продифференцированных импульсов строчной частоты, которые приходят на его коллектор. При поступлении сигнала на базу этот транзистор запирается и импульсы строчной частоты проходят на ждущий мультивибратор, запуская его. Для формирования напряжения прямоугольной формы и в качестве сравнивающих ( пороговых) устройств в ряде схем широко применяют несимметричные триггеры. Они обладают высоким входным сопротивлением, большой нагрузочной способностью и рядом других преимуществ по сравнению с симметричными триггерами. Для получения напряжения прямоугольной формы применяется схема ( рис. 8.11, а) мультивибратора с коллекторно-базовьши связями, работающего в режиме автоколебаний.
|
| |
| |
|