|
Электротехника
| |
| SlaVe4U | Дата: Среда, 12.01.2011, 14:22 | Сообщение # 91 |
|
Главный Администратор
Группа: Администраторы
Сообщений: 320
Награды: 23
Репутация: 222
Статус: Offline
| 44 Одновибраторы предназначены для вырабатывания одиночных импульсов с заданной длительностью. При этом длительность запускающего импульса особой роли не играет, лишь бы она была не больше длительности вырабатываемого одновибратором импульса, т.е. tи зап<tи, где tи зап - длительность запускающего импульса; tи - длительность выходного импульса одновибратора. Схема одновибратора приведена на рис. 4.8, а. Он выполнен на двух элементах логики типа 2И-НЕ путем введения положительной обратной связи (выход второго элемента соединен с входом первого). В исходном состоянии на выходе элемента Э2 имеется уровень “1”, а на выходе элемента Э1- “0”, так как на обоих его входах имеется “1”(запускающие импульсы представляют отрицательный перепад напряжения). При поступлении на вход запускающего отрицательного перепада напряжения на выходе первого элемента появится уровень “1”, т.е. положительный скачок, который через конденсатор С поступит на вход второго элемента. Элемент Э2 инвертирует этот сигнал и уровень “0” по цепи обратной связи подается на второй вход элемента Э1. На выходе элемента Э2 поддерживается уровень “0” до тех пор, пока не зарядится конденсатор С до уровня Uc пор = U1 - Uпор, а напряжение на резисторе R не достигнет порогового уровня Uпор (рис. 4.8, б). Длительность выходного импульса одновибратора может быть определена с помощью выражения tи = C(R+Rвых)ln* Uстеп1/Uпор, где Rвых - выходное сопротивление первого элемента. Uпор - пороговое напряжение логического элемента.
|
| |
| |
| SlaVe4U | Дата: Среда, 12.01.2011, 14:22 | Сообщение # 92 |
|
Главный Администратор
Группа: Администраторы
Сообщений: 320
Награды: 23
Репутация: 222
Статус: Offline
| 46 Напряжение прямоугольной формы получается с выхода лампы пентода, на управляющую сетку которой подано переменное напряжение большой амплитуды частотой в 5000 или 50 гц. Напряжение прямоугольной формы получается при большом коэффициенте усиления в цепи обратной связи генератора из-за явлений отсечки 18.2. Кривая зависимо-и насыщения транзистора. Принципиальная схема электронного коммутатора. Напряжения прямоугольной формы, создаваемые симметричным мультивибратором, выполненным на двойном триоде Л3, изменяются на анодах лампы в про-тивофазе и подаются через разделительные конденсаторы С5 и С8 на антидинатронные сетки ламп усилителей. В результате этого лампы попеременно запираются и на нагрузке также попеременно создаются усиленные исследуемые напряжения. Напряжение прямоугольной формы ( кривая /) по дается на осциллограф с эквивалентной нагрузки. Некоторый завал вершин и округление правого угла происходят из-за небольших фазовых искажений и уменьшения усиления на низких частотах. Напряжение прямоугольной формы с выхода модулятора через дифференцирующую емкость С7 подается на базу триггерного каскада. Триггер, построенный на транзисторах ТЗ, Т4, имеет два устойчивых состояния. Импульсы, образующиеся при прохождении через С7 прямоугольного напряжения, опрокидывают триггер. При этом через обмотку / / / трансформатора ТрЗ проходит ток. Появление напряжения на выходе лампового каскада и модулятора приводит к перекидыванию триггера два раза за период опорного напряжения, поэтому на обмотке / / / трансформатора ТрЗ появляется напряжение прямоугольной формы. Фаза этого напряжения зависит от полярности напряжения на выходе лампового каскада. Ток базы ТЗ и коллектора Т4 задается от выпрямленного и сглаженного напряжения вторичной обмотки VI трансформатора Tpl. Ток базы Т4 и коллектора ТЗ задается от обмотки VII того же трансформатора. Для напряжения прямоугольной формы, например, как видно из рис. 5.14, б, благодаря динамическому смещению напряжение на выходе во время положительного полупериода лишь незначительно превышает нулевой уровень или, как говорят, фиксируется на нулевом уровне сверху. При изменении амплитуды входного напряжения режим фиксации нарушается только на время переходного процесса, связанного с дозарядом ( если амплитуда увеличилась) или разрядом ( если амплитуда уменьшилась) конденсатора до нового стационарного значения, определяемого величиной амплитуды входного напряжения. Генераторы напряжения прямоугольной формы ( по большей части меандра) разделяются по принципу действия на электромеханические и электронные. Импульс напряжения прямоугольной формы ( рис. 14 - 51, а) подводится к цепи, содержащей последовательно соединенные активное сопротивление г и конденсатор емкостью С. Волна напряжения прямоугольной формы и91 105 кв, распространяясь по воздушной линии длиной /, 60 км ( Lt 1 67 мен км, C, 6 7 - Gr3 мкф / км) и разомкнутой вначале, достигает соединения с кабельной линией длиной 1 г 30км ( L 0 33 лггм / кж, С. Модулятор подает напряжение прямоугольной формы а клистрон. Согласователь № il обеспечивает передачу в тракт максимальной мощности. Аттенюатор развязки № 1 служит для установки такого уровня мощности, при котором в болометр проходит максимальная допустимая мощность. Он поддерживает постоянство нагрузки как со стороны генератора, так и со стороны тракта. Обычно он дает ослабление порядка 10 дб. С помощью волномера устанавливается требуемое значение частоты генератора. Структурная схема прибора ГИСЦТ. Триггер формирует напряжение прямоугольной формы из синусоидального напряжения, чем осуществляется жесткая связь между частотой кадров и частотой питающей сети. Импульсы частотой 543 Гц после дифференцирования поступают на базу транзистора Тз. Тз остается запертым на время длительности трех строк, начиная с фронта импульса частотой 50 Гц. В отсутствие сигнала на базе транзистор Т3 всегда открыт и представляет свбой малое сопротивление для продифференцированных импульсов строчной частоты, которые приходят на его коллектор. При поступлении сигнала на базу этот транзистор запирается и импульсы строчной частоты проходят на ждущий мультивибратор, запуская его. Для формирования напряжения прямоугольной формы и в качестве сравнивающих ( пороговых) устройств в ряде схем широко применяют несимметричные триггеры. Они обладают высоким входным сопротивлением, большой нагрузочной способностью и рядом других преимуществ по сравнению с симметричными триггерами. Для получения напряжения прямоугольной формы применяется схема ( рис. 8.11, а) мультивибратора с коллекторно-базовьши связями, работающего в режиме автоколебаний.
|
| |
| |
| SlaVe4U | Дата: Среда, 12.01.2011, 14:23 | Сообщение # 93 |
|
Главный Администратор
Группа: Администраторы
Сообщений: 320
Награды: 23
Репутация: 222
Статус: Offline
| Для измерения видеоимпульсных напряжений прямоугольной формы, как положительной, так и отрицательной полярности, применяют импульсный вольтметр. Как и вольтметр, измеряющий переменные напряжения синусоидальной формы, импульсный вольтметр состоит из диодного детектора, усилителя постоянного тока и выпрямителя. Принцип действия импульсного вольтметра заключается в преобразовании пиковым диодным детектором измеряемого импульсного напряжения в постоянное и измерении его стрелочным индикатором, включенным в схему усилителя постоянного тока. При нагрузке диодного детектора ( разрядного сопротивления), значительно превосходящей сопротивление источника измеряемого импульсного напряжения и внутреннее сопротивление диода, форма импульса в широком диапазоне скважностей практически не оказывает влияния на показания прибора. Полученное таким путем напряжение прямоугольной формы может быть непосредственно использовано только для поверки избирательных приборов ( по отдельным гармоникам), приборов с ЭЛТ и приборов со строго квадратическим детектированием. Для измерения размаха напряжения прямоугольной формы используются детекторы ( рис. 3.42), схема которых представляет собой параллельное соединение двух схем детекторов с закрытым входом. Суммарное напряжение UUm Um подается на усилитель постоянного тока и затем на магнитоэлектрический прибор. В качестве формирователей напряжения прямоугольной формы и сравнивающих ( пороговых) устройств в ряде схем широко применяют несимметричные триггеры. Они обладают высоким входным сопротивлением, большой нагрузочной способностью и другими преимуществами по сравнению с симметричными триггерами. Диодный ограничитель. а - схема, б - графики напряжений. Для получения импульсов напряжения прямоугольной формы существует много различных устройств, например, их можно получить из синусоидального напряжения при помощи ограничителя. В качестве ограничителей применяют электронные лампы и полупроводниковые приборы, имеющие нелинейную вольт-амперную характеристику. Чаще всего используют различные варианты схем диодных ограничителей. Расчет для импульса напряжения прямоугольной формы, распространяющегося вдоль линии, сводится к расчету включения линии на два равных по величине напряжения, разных по знаку и сдвинутых по времени друг относительно друга на величину продолжительности действия импульса. При питании трансформатора напряжением прямоугольной формы потери в стали ( на гистерезис и на вихревые токи) возрастают по сравнению с потерями при синусоидальном напряжении за счет наличия гармонических составляющих высших частот. Анализ переходных процессов в триодном ограничителе. На входе схемы действует напряжение прямоугольной формы. Нужно найти форму напряжения на выходе схемы. При этом полагаем, что к моменту поступления очередного фронта входного напряжения переходные процессы в схеме закончены. Например, требуется получить напряжение прямоугольной формы из исходного синусоидального напряжения. На выходе триггера сохраняется уровень логического О. На обмотке W1 формируется напряжение прямоугольной формы с амплитудой 50 В. При включении питания транзисторы VT2 и VT4 открываются и находятся в линейном режиме. Обмотка WI для пермаллоевого сердечника имеет 150 витков, а базовые обмотки W2 по 10 витков. Например, требуется получить напряжение прямоугольной формы из исходного синусоидального напряжения. На выходе триггера сохраняется уровень логического О.
|
| |
| |
| SlaVe4U | Дата: Среда, 12.01.2011, 14:24 | Сообщение # 94 |
|
Главный Администратор
Группа: Администраторы
Сообщений: 320
Награды: 23
Репутация: 222
Статус: Offline
| Генераторы повышенной частоты генерируют напряжение практически прямоугольной формы. Мощность таких электропитающих устройств не превышает нескольких сотен ватт и поэтому нет смысла применять многопульсационные схемы выпрямления. За счет увеличения частоты удается получить ИВЭП с высокими удельными массогабаритными показателями при двухпульсационных схемах и сравнительно простом однофазном генераторе преобразователя. К этой цепи подводится напряжение прямоугольной формы строго определенной частоты и амплитуды. При положительном полупериоде переменного напряжения лампа отперта и ее анодный ток достигает такой величины, при которой все напряжение источника питания Ua падает на сопротивлении Ra, при отрицательном полупериоде лампа заперта и на сопротивлении Ra напряжение равно нулю. Получаемые прямоугольные импульсы анодного напряжения подводятся к цепи с конденсаторами Ск и Cv. Ток, проходящий через конденсаторы, выпрямляется и измеряется магнитоэлектрическим измерительным механизмом, шкала которого проградуирована в значениях измеряемых емкостей. Гасящий импульс - импульс напряжения прямоугольной формы, подаваемый на модулятор электронного прожектора при обратном ходе развертки. Принципиальные схемы управления двигателями передвижения машин напольного транспорта с помощью тиристоров. Регулирование происходит подачей импульсов напряжения прямоугольной формы повышенной частоты в цепь управления тиристора. Тиристор открывается при подаче импульса и закрывается при снятии импульса. Это достигается применением ряда дополнительных мер, которые будут описаны ниже. Питание высокочастотного асинхронного двигателя напряжением прямоугольной формы практически не ведет к ухудшению основных параметров двигателя. Схема электронного инвертора. На сетки ламп генератора подается напряжение прямоугольной формы. Поскольку через лампу протекает ток, близкий по форме к прямоугольным импульсам, то форма напряжения на аноде тоже будет прямоугольной, так как все переменные составляющие напряжения выделяются на нагрузке и дросселе. Сравниваемые сигналы поочередно преобразуются в напряжения прямоугольной формы, воздействующие на конденсаторный преобразователь. Схема генератора пилообразного напряжения с тиратроном. Мультивибратором называется электронный генератор импульсов напряжения прямоугольной формы. Зависимость ивых /. ( в метричного триггера.| Временные диаграммы процессов в мультпвпбраторе с коллекторно-бановыми свичнми. Несимметричный триггер применяется для формирования напряжения прямоугольной формы и в качестве устройства сравнения некоторого напряжения с пороговыми уровнями. На рис. 4 - 79 показаны временные диаграммы изменения выходного напряжения триггера при действии на его вход гармонического сигнала. Калибратор амплитуды представляет собой генератор напряжения прямоугольной формы и стабильной амплитуды. При подаче этого напряжения на вход У ВО на экране появляются две горизонтальные параллельные линии. Расстояние между линиями, пропорциональное двойной амплитуде калиброванного напряжения, может регулироваться. Внешний вид лампового вольтметра ВКС-7Б. Вольтметр предназначен для измерения амплитуды видеоимпульсных напряжений прямоугольной формы. Прибор измеряет амплитуды напряжений как положительной, так и отрицательной полярности от 3 до 150 в, отсчитываемые от линии среднего значения. К прибору придается делитель напряжения с отношением деления 1: 10, расширяющий пределы измерения до 500 в. Прибор применяется в закрытых отапливаемых помещениях, лабораториях и цехах. При подаче на вход импульса напряжения FBX прямоугольной формы происходит заряд конденсатора С, одна из обкладок которого присоединяется к базе входного триода 7 6 интегратора ( фиг. Одновременно изменяющееся выходное напряжение начинает заряжать противоположные обкладки зарядом, который нейтрализует заряд, подаваемый с входной стороны. Напряжение на базе при этом остается незначительным.
|
| |
| |
| SlaVe4U | Дата: Среда, 12.01.2011, 14:24 | Сообщение # 95 |
|
Главный Администратор
Группа: Администраторы
Сообщений: 320
Награды: 23
Репутация: 222
Статус: Offline
| Фазные напряжения сельсина, сформированные в напряжения прямоугольной формы при помощи усилителей-ограничителей Ft - - F3, поступают на вход фазочувствптелыюй схемы, состоящей из дешифратора ДС-1 и триггеров Т1 - - ТЗ. Триггеры фазочувствительной схемы устанавливаются в определенные состояния, причем при любом угле поворота ротора сельсина всегда один триггер будет в состоянии 1 или 0, а два других - - в противоположных состояниях. Пространственно-временная диаграмма и. Допустим, что к сетке приложено напряжение прямоугольной формы, причем, как показано на рис. 16.3, это напряжение не переходит в область положительных значений. Пока на сетке имеется большое отрицательное напряжение, лампа заперта и электронный ток равен нулю. После уменьшения отрицательного напряжения на сетке, в момент времени tlt электроны начинают свое движение от катода к сетке. На зажимы Р, Q подастся напряжение прямоугольной формы либо от специального генератора, либо от сети, пропущенное сначала через полупроводниковый преобразователь, придающий ему прямоугольную форму. Полупроводниковое реле времени с зарядом конденсатора от источника тока ( а и процесс заряда конденсатора ( б. На цепочку R2, С2 подается напряжение прямоугольной формы. При каждом импульсе напряжение на конденсаторе поднимается на небольшую величину, после чего во время паузы остается неизменным. Напряжение UC2 приложено к пороговому элементу. Такое реле позволяет увеличить выдержку времени. Благодаря этому во вторичных обмотках индуцируются напряжения прямоугольной формы. Фаза этого напряжения зависит от полярности напряжения на выходе лампового каскада, поэтому при одной полярности открывается триод Т5, а Т6 закрывается и в нагрузке ( клеммы 7 - 8) появляется ток - включается исполнительный механизм. График коэффициента М. Расчет выпрямителей, работающих от источников напряжения прямоугольной формы, имеет свои особенности. Мультивибратор применяют в качестве источника импульсов напряжения прямоугольной формы; работает он на частотах от долей гц до десятков кгц. На выходе схемы развиваются симметричные импульсы напряжения прямоугольной формы с небольшими всплесками, которые обязаны собственным колебаниям в трансформаторе. Выпрямленное напряжение оказывается малокритичным к изменению частоты, так как во всех случаях скважность импульсов не меняется. В схемах импульсных усилителей наиболее часто усиливается напряжение прямоугольной формы и видеоимпульсы. Схема дефектоскопа с накладной катушкой. Это напряжение в интеграторном каскаде преобразуется в напряжение прямоугольной формы, затем дифференцируется и выдается в виде последовательного ряда положительных и отрицательных импульсов. На экране прибора дается развертка амплитуды. Визуальный отсчет показания прибора производится по амплитуде измерительного напряжения, получаемой в прорези линейки с делениями, помещенной по вертикальной оси экрана. Это осуществляется путем поворота фазы развертывающего напряжения до ее совмещения с фазой измерительного на-пряжения, обусловленного изменением диаметра. Генератор строчной развертки. а - схема, 6 - временные диаграммы. На базу транзистора ТЗ выходного каскада подается напряжение прямоугольной формы. В конце прямого хода в момент времени t3 на базу транзистора ТЗ подается запирающий импульс. Транзистор закрывается, а в контуре, образованном эквивалентной индуктивностью и конденсатором С7, появляются свободные синусоидальные колебания. Импульсный режим работы фильтра верхних частот при различных частотах.| Компенсированный делитель напряжения. Если на входе фильтра верхних частот приложено напряжение прямоугольной формы с периодом Т т, то конденсатор в течение половины периода почти полностью перезаряжается и выходное напряжение будет равно входному с точностью до постоянной величины. В связи с тем что через конденсатор не может протекать постоянный ток, среднее значение выходного напряжения равно нулю. Следовательно, постоянная составляющая входного напряжения не передается. Периодически повторяющиеся положительные и отрицательные перепады образуют напряжение прямоугольной формы.
|
| |
| |
| SlaVe4U | Дата: Среда, 12.01.2011, 14:25 | Сообщение # 96 |
|
Главный Администратор
Группа: Администраторы
Сообщений: 320
Награды: 23
Репутация: 222
Статус: Offline
| Интегрирующая цепь. а - схема. б - токи и напряжения в схеме.| Получение пилообразного напряжения. а - схема. б - напряжения на входе невыходе. Если на вход такой цепи подается импульс напряжения прямоугольной формы ( рис. 11 - 34, 6), то напряжение на конденсаторе растет постепенно, стремясь к величине напряжения на входе. Для того чтобы нарастающее напряжение на конденсаторе не препятствовало прохождению тока в цепи, оно не должно возрастать за время импульса до величины, Си-измеримой с напряжением на входе. Это достигается включением последовательно в цепь весьма большого активного сопротивления, в результате чего постоянная времени цепи оказывается намного больше длительности импульса. Однако постоянная времени должна быть одновременно настолько малой, чтобы после окончания действия импульса конденсатор успел разрядиться до начала следующего импульса. В некоторых случаях ставится задача интегрирования серии импульсов, тогда постоянная времени соответственно увеличивается. Генераторы импульсов используют во многих радиотехнических устройствах (электронных счетчиках, реле времени), применяют при настройке цифровой техники. Диапазон частот таких генераторов может быть от единиц герц до многих мегагерц. На рис. 116 приведена схема генератора, который формирует одиночные импульсы прямоугольной формы при нажатии кнопки SB1. На логических элементах DD1.1 и DD1.2 собран RS-триггер, предотвращающий проникновение импульсов дребезга контактов кнопки на пересчетное устройство. В положении контактов кнопки SB1, показанном на схеме, на выходе 1 будет напряжение высокого уровня, на выходе 2 - напряжение низкого уровня; при нажатой кнопке - наоборот. Этот генератор удобно использовать при проверке работоспособности различных счетчиков. На рис. 117 показана схема простейшего генератора импульсов на электромагнитном реле. При подаче питания конденсатор С1 заряжается через резистор R1 и реле срабатывает, отключая источник питания контактами К 1.1. Но реле отпускает не сразу, поскольку некоторое время через его обмотку будет протекать ток за счет энергии, накопленной конденсатором С1. Когда контакты К 1.1 опять замкнутся, снова начнет заряжаться конденсатор - цикл повторяется. Частота переключении электромагнитного реле зависит от его параметров, а также номиналов конденсатора С1 и резистора R1. При использовании реле РЭС-15 (паспорт РС4.591.004) переключение происходит примерно один раз в секунду. Такой генератор можно использовать, например, для коммутации гирлянд на новогодней елке, для получения других световых эффектов. Его недостаток - необходимость использования конденсатора значительной емкости. На рис. 118 приведена схема еще одного генератора на электромагнитном реле, принцип работы которого аналогичен предыдущему генератору, но обеспечивает частоту импульсов 1 Гц при емкости конденсатора в 10 раз меньшей. При подаче питания конденсатор С1 заряжается через резистор R1. Спустя некоторое время откроется стабилитрон VD1 и сработает реле К1. Конденсатор начнет разряжаться через резистор R2 и входное сопротивление составного транзистора VT1VT2. Вскоре реле отпустит и начнется новый цикл работы генератора. Включение транзисторов VT1 и VT2 по схеме составного транзистора повышает входное сопротивление каскада. Реле К 1 может быть таким же, как и в предыдущем устройстве. Но можно использовать РЭС-9 (паспорт РС4.524.201) или любое другое реле, срабатывающее при напряжении 15...17 В и токе 20...50 мА. В генераторе импульсов, схема которого приведена на рис. 119, использованы логические элементы микросхемы DD1 и полевой транзистор VT1. При изменении номиналов конденсатора С1 и резисторов R2 и R3 генерируются импульсы частотой от 0,1 Гц до 1 МГц. Такой широкий диапазон получен благодаря использованию полевого транзистора, что позволило применить резисторы R2 и R3 сопротивлением в несколько мегаом. С помощью этих резисторов можно изменять скважность импульсов: резистор R2 задает длительность напряжения высокого уровня на выходе генератора, а резистор R3 - длительность напряжения низкого уровня. Максимальная емкость конденсатора С1 зависит от его собственного тока утечки. В данном случае она составляет 1...2 мкФ. Сопротивления резисторов R2, R3 - 10...15 МОм. Транзистор VT1 может быть любым из серий КП302, КП303
|
| |
| |
| SlaVe4U | Дата: Среда, 12.01.2011, 14:27 | Сообщение # 97 |
|
Главный Администратор
Группа: Администраторы
Сообщений: 320
Награды: 23
Репутация: 222
Статус: Offline
| При наличии микросхемы КМОП (серия К176, К561) можно собрать широкодиапазонный генератор импульсов без применения полевого транзистора. Схема приведена на рис. 120. Для удобства установки частоты емкость конденсатора времязадающей цепи изменяют галетным переключателем SA1. Диапазон частот, формируемых генератором, составляет 1...10 000 Гц. На рис. 121 представлена схема генератора импульсов с регулируемой скважностью. Скважность, т. е. отношение периода следования импульсов к длительности напряжения высокого уровня на выходе логического элемента DD1.3, резистором R1 может изменяться от 1 до нескольких тысяч. При этом частота импульсов также незначительно изменяется. Транзистор VT1, работающий в ключевом режиме, усиливает импульсы по мощности. Генератор, схема которого приведена на рис. 122, вырабатывает импульсы как прямоугольной, так и пилообразной формы. -адающий генератор выполнен на логических элементах DD 1.1-DD1.3. На конденсаторе С2 и резисторе R2 собрана дифференцирующая цепь, благодаря которой на выходе логического элемента DD1.5 форми- руются короткие положительные импульсы (длительностью около 1 мкс). На полевом транзисторе VT2 и переменном резисторе R4 выполнен регулируемый стабилизатор тока. Этот ток заряжает конденсатор С3, и напряжение на нем линейно возрастает. В момент поступления на базу транзистора VT1 короткого положительного импульса транзистор VT1 открывается, разряжая конденсатор С-. На его обкладках таким образом формируется пилообразное напряжение. Резистором R4 регулируют ток зарядки конденсатора и, следовательно, крутизну нарастания пилообразного напряжения и его амплитуду. Конденсаторы С1 и С- подбирают исходя из требуемой частоты импульсов. Иногда возникает необходимость в построении генератора, который формирует число импульсов, соответствующее номеру нажатой кнопки. Принципиальная схема устройства (первый вариант), реализующего такую возможность, приведена на рис. 123. Функционально оно включает генератор импульсов, счетчик и дешифратор. Генератор прямоугольных импульсов собран на логических элементах DD1.3 и DD1.4. Частота следования импульсов около 10 Гц. С выхода генератора импульсы поступают на вход двоично-десятичного счетчика, выполненного на микросхеме DD2. Четыре выхода счетчика соединены со входами микросхемы DD3, представляющей собой дешифратор на 4 входа и 16 выходов. При подаче питающего напряжения на правых (по схеме) контактах всех пятнадцати кнопок SB I-SB 15 будет напряжение низкого уровня, обеспечиваемое наличием низкоомного резистора R5. Это напряжение подается на вход ждущего мультивибратора, выполненного на элементах DD1.1, DD1.2 и конденсаторе С1, и
|
| |
| |
| SlaVe4U | Дата: Среда, 12.01.2011, 14:28 | Сообщение # 98 |
|
Главный Администратор
Группа: Администраторы
Сообщений: 320
Награды: 23
Репутация: 222
Статус: Offline
| гасящего импульсы дребезга контактов кнопок. На выходе ждущего мультивибратора - напряжение низкого уровня, поэтому генератор импульсов не работает. При нажатии одной из кнопок конденсатор С3 мгновенно заряжается через диод VD1 до напряжения высокого уровня, в результате чего на выводах 2 и 3 счетчика DD2 появляется напряжение низкого уровня, устанавливающее его в рабочее состояние. Одновременно через замкнутый контакт нажатой кнопки напряжение высокого уровня подается на вход ждущего мультивибратора, и импульсы генератора поступают на вход счетчика. При этом на выходах дешифратора последовательно появляется напряжение низкого уровня. Как только оно появится на выходе, с которым соединен контакт нажатой кнопки, подача импульсов на вход счетчика прекратится. С вывода 11 элемента DD1.4 будет снято число импульсов, соответствующее номеру нажатой кнопки. Если продолжать удерживать кнопку нажатой, то через некоторое время конденсатор С- разрядится через резистор R2, счетчик DD2 установится в нулевое состояние и генератор выдаст новую серию импульсов. До окончания серии импульсов кнопку отпускать нельзя. В устройстве использованы резисторы МЛТ-0,25; оксидные конденсаторы - К50-6. Транзисторы VT1, VT2 могут быть серий КТ312, КТ315, КТ503, КТ201, диод VD1 - серий Д7, Д9, Д311. Кнопки SB 1 -SB 15 - типов П2К, KM 1-1 и др. Настройка числоимпульсного генератора заключается в установке подбором резистора R1 и конденсатора С2 требуемой частоты следования импульсов генератора, которая может быть в пределах от единиц герц до десятков килогерц. При частоте выше 100 Гц для выдачи полной серии импульсов требуется время не более 0,15 с, поэтому кнопку можно не удерживать пальцем - короткого нажатия ее вполне достаточно для формирования пачки импульсов. На рис. 124 представлена схема еще одного числоимпульсного генератора (второй вариант), по принципу работы аналогичного описанному выше. Благодаря применению микросхем серии К176 схема генератора упростилась. Генератор формирует от 1 до 9 импульсов. В двух описанных выше вариантах числоимпульсных генераторов необходимо удерживать кнопку нажатой до окончания серии импульсов, в противном случае на выход поступит неполная пачка импульсов. Это является недостатком. На рис. 125 приведена схема третьего варианта числоимпульсного генератора, в котором импульсы начинают вырабатываться после отпускания кнопки. На микросхемах DD1, DD2 и диодах VD1-VD3 собран шифратор, преобразующий десятичное число в двоичный код. Сигналы с выходов шифратора подаются на входы D1, D2, D4, D8 микросхемы DD4 (реверсивный счетчик) и на входы логического элемента 4ИЛИ-HE(DD3.1). Рассмотрим работу генератора при нажатии кнопки SB3. Когда кнопка нажата, на выходах логических элементов DD1.1 и DD1.2 установится напряжение высокого уровня, а на выходах DD2.1, DD2.2 сохранится напряжение низкого уровня. На выходе логического элемента DD3.1 появится напряжение низкого уровня, которое через дифференцирующую цепь C1R11 поступит на вход С реверсивного счетчика DD4 и установит его в состояние 1100. При этом на выходе логического элемента DD3.2 установится напряжение низкого уровня, которое инвертируется логическим элементом DD5.1 и подготавливает к работе генератор на логических элементах DD5.2-DD5.4. После отпускания кнопки SB3 на выходе элемента DD3.1 появится напряжение высокого уровня, которое будет подано на выход 12 микросхемы DD5; начнет работать генератор. Импульсы с его выхода (вывод 11 микросхемы DD5) поступают на вход -1 реверсивного счетчика. При этом происходит уменьшение числа, записанного в счетчике, и на выходах 1, 2, 4, 8 счетчика последовательно появляются комбинации логических уровней 0100, 1000, 0000. При установке счетчика в состояние 0000 на выходе логического элемента DD3.2 установится напряжение высокого уровня, и генератор остановится. На выход поступит три импульса. Частота импульсов генератора определяется элементами С2 и R 12 и может изменяться в широких пределах (от единиц герц до сотен килогерц). В описанных здесь генераторах импульсов можно использовать резисторы МЛТ-0,25, конденсаторы К50-6, КМ-6. Транзисторы КТ315Б можно заменить транзисторами из серий КТ312, КТ315, КТ316, КТ503. Диоды - любые из серий Д7, Д9, Д311. Кнопки - типов П2К, КМ1 и др. Микросхемы могут быть серий К 133, К 134, К 136, К158, КР531, К555 для первого и третьего вариантов; К561 - для второго варианта
|
| |
| |
| SlaVe4U | Дата: Среда, 12.01.2011, 14:30 | Сообщение # 99 |
|
Главный Администратор
Группа: Администраторы
Сообщений: 320
Награды: 23
Репутация: 222
Статус: Offline
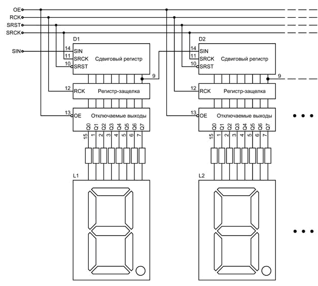
| 50 Статический светодиодный цифровой индикатор, управляемый по SPI Вывод на семисегментный светодиодный индикатор цифровой информации в схеме с микроконтроллером встречается часто, и разработчики таких схем выполняют его каждый по-своему. Ниже описан модуль индикации, который вполне может стать универсальным решением, что значительно упростит разработку новых устройств. На рис.1 представлена функциональная схема модуля. Каждым семисегментным индикатором управляет отдельная микросхема типа SN74HC595D, содержащая: • 8-разрядный сдвиговый регистр; • параллельный регистр-защелку; • управляемый выходной буфер. Рис.1. Функциональная схема универсального многоразрядного семисегментного светодиодного цифрового индикатора Последовательно загружаемые в сдвиговый регистр биты данных подаются на вход SIN (Serial Input). Их фиксация в сдвиговом регистре (стробирование) происходит по перепаду импульсного сигнала на входе SRCK из состояния логического "0" в лог. "1". Когда загрузка сдвигового регистра завершена, его состояние копирует и запоминает регистр-защелка. Происходит это по перепаду из лог. "0" в лог. "1" подаваемого на вход RCK специального импульса (см. рис.2). Но на выходы микросхемы Q0..Q7 состояние регистра-защелки поступит лишь при логическом "0" на входе OE (Output Enable). В противном случае (OE = лог. "1") выходы микросхемы отключаются (переходят в высокоимпедансное сосотояние) и индикатор гаснет. Подав лог. "0" на вход SRST можно сбросить в ноль сдвиговый регистр (но не регистр-защелку) независимо от сигналов SIN и SRCK. Последовательное соединение микросхем SN74HC595D в цепочку позволяет наращивать разрядность светодиодного семисегментного индикатора. Управляющие сигналы при этом остаются прежними, соответственно увеличивается лишь число загружаемых бит данных. На рис.3 приведена принципиальная электрическая схема такого модуля индикации на два знакоместа. Резисторы R1..R5 определяют состояние входных сигналов при отключении модуля от микроконтроллерной схемы и служат "нагрузкой" линий управления индикатором. Гасящие резисторы R6..R21 определяют ток каждого сегмента при его включении, который во всяком случае не должен превышать максимально допустимый для выходов микросхемы SN74HC595D (см. таблицу 1). Установка перемычки J1 на замыкание ее средней точки на общий провод GND или провод питания +Vcc позволяет использовать в схеме семисегментные светодиодные индикаторы как с общим катодом, так и с общим анодом. Конденсаторы C1..C3 предотвращают сбои от возможных внешних помех по питанию. Схема модуля индикации на два знакоместа
|
| |
| |
| SlaVe4U | Дата: Среда, 12.01.2011, 14:32 | Сообщение # 100 |
|
Главный Администратор
Группа: Администраторы
Сообщений: 320
Награды: 23
Репутация: 222
Статус: Offline
| Таблица 1. Некоторые технические характеристики микросхемы SN74HC595D Параметр Условия измерения Значение Uпит.,В - 2...6 Iпотр.,мкА - < 80 Uвых.лог."1",В Uпит. = 4,5В > 3,98 Iвых. = -6мА Tокр.ср. = 25oC Uвых.лог."0",В Uпит. = 4,5В < 0,26 Iвых. = 6мА Tокр.ср. = 25oC Cвх.,пФ - < 10 На рис.4 приведен внешний вид модуля индикации. Модуль разработан под применение светодиодных семисегментных индикаторов производства фирмы Kingbright серий SA05-11 (с общим анодом) или SC05-11 (с общим катодом) или им аналогичных с высотой знака 12,7 мм. В результате получился компактный модуль индикации, габаритные размеры которого не намного больше размеров самих индикаторов. Сделать это оказалось совсем не сложно, так как каждая микросхемаSN74HC595D в корпусе SOIC-16 вполне умещается под "своим" индикатором с другой стороны двухсторонней печатной платы. Соответствие выходов микросхем и сегментов индикатора выбрано исходя из простоты трассировки печатных проводников на плате модуля. Также под поверхностный монтаж применены резисторы и конденсаторы типоразмером 0805. Габаритные размеры печатной платы 43,2 x 22,9 мм. Ее чертеж и установка на ней элементов приведены на рис.5. С одной стороны платы устанавливаются светодиодные семисегментные индикаторы L1 и L2, резисторы R1..R5 и конденсатор C1, а с другой - все остальные елементы: микросхемы D1 и D2, гасящие резисторыR6..R21, конденсаторы C2 и C3, а также запаивается перемычка J1. Светодиодный семисегментный индикатор на два знакоместа Модуль работает при напряжении питания от +2,8 В до +5,5 В. Значение напряжения питания и тип индикаторов определяют и требуемое сопротивление гасящих резисторов R6..R21 исходя из тока одного сегмента в пределах 4...4,5 мА (см. таблицу 2). Таблица 2. Номиналы гасящих резисторов R6..R21 Цвет Напряжение питания +3,3В +4,5В +5,0В Красный 360 Ом 620 Ом 750 Ом Желтый 330 Ом 620 Ом 750 Ом Зеленый 300 Ом 560 Ом 680 Ом
|
| |
| |
| SlaVe4U | Дата: Среда, 12.01.2011, 14:34 | Сообщение # 101 |
|
Главный Администратор
Группа: Администраторы
Сообщений: 320
Награды: 23
Репутация: 222
Статус: Offline
| Как подключить питание и управляющие сигналы к плате модуля индикации показано на рис.6. Важным преимуществом описываемого модуля перед другими схемами индикации является возможность каскадного соединения нескольких таких модулей в цепочку как показано на рис.7, что можно использовать, например, для индикации сразу нескольких цифровых значений в каком-нибудь приборе при том же наборе линий управления. А так как этих линий немного, и соединительный кабель между модулем индикации и микроконтроллерной схемой содержит всего несколько проводов, то модуль можно свободно размещать в любом удобном месте корпуса прибора. Пример подключения такого модуля индикации при помощи кабеля длиной около 70 смпоказан на приведенном на рис.8 фото, сопротивление "нагрузочных" резисторов R1..R5 при этом составляло 10 кОм и сбоев в работе не наблюдалось. Загружать информацию на отображение в модуль индикации удобнее всего через синхронный порт SPI, которым теперь оснащены почти все микроконтроллеры, выпускаемые, например, фирмойAtmel. Учитывая, что этот же порт используется часто и для внутрисхемного программирования микроконтроллеров, и разъем для этой цели на плате, как правило, уже установлен, то подключение к нему модуля индикации напрашивается само собой. Соответствие сигналов порта SPI линиям управления модулем индикации иллюстрирует схема на рис.9. По окончании последовательной загрузки информационных бит в модуль индикации микроконтроллер "защелкивает" их, подавая на вход модуля индикации RCK импульс с какого-либо своего выхода, условно обозначенного на схеме как P1. Вход модуля OE можно использовать для гашения индикатора на время стартовой неопределенности выполняемой микроконтроллером программы. Если же подать на этот вход импульсный сигнал, то изменением скважности такого сигнала можно регулировать яркость свечения индикатора. Учитывая особенности работы микросхемы SN74HC595D соответственно следует программно установить и режим порта SPI, а именно: • режим "Master/Slave" ("Ведущий/Ведомый") - "Master" ("Ведущий"); • загрузка очередного бита информации - по перепаду сигнала SCK из лог. "0" в лог. "1".
|
| |
| |
| SlaVe4U | Дата: Среда, 12.01.2011, 14:35 | Сообщение # 102 |
|
Главный Администратор
Группа: Администраторы
Сообщений: 320
Награды: 23
Репутация: 222
Статус: Offline
| Соответствие сегментов индикатора обозначениям на схеме приведено на рис.10. Если последовательная загрузка очередного байта через порт SPI начинается со старшего бита, то соответствующие десятичным цифрам шестнадцатиричные коды для загрузки будут такими как втаблице 3. Для включения десятичной точки (сегмент DP) перед загрузкой байта с ним следует выполнить логическую операцию "ИЛИ" с шестнадцатиричным числом 0x20 для индикатора с общим катодом или логическую операцию "И" с шестнадцатиричным числом 0xDF для индикатора с общим анодом. Радиолюбители, конструирующие, например, радиоприемные устройства с цифровой шкалой, могут отметить для себя еще одно важное преимущество такого модуля индикации - предельно низкий уровень создаваемых радиопомех. Ведь в отличие от схем с динамической индикацией необходимость в управляющих импульсах на длинных проводниках появляется здесь лишь для обновления выводимого на индикатор числового значения. В промежутках между такими обновлениями, когда индикатор лишь отображает число в соответствии с последней загрузкой, то есть львиную долю времени, какие-либо импульсы на схему вообще не подаются - индикация статическая и радиопомех нет. На рис.11 приведена трассировка печатной платы для 8-разрядного светодиодного семисегментного модуля индикации по такой же схеме. Легко заметить "регулярность" рисунка печатной платы, аппликацией фрагментов которого можно создать рисунок для модуля индикации требуемой разрядности уже под свои нужды. Похожим образом можно создавать модули со светодиодными индикаторами большего размера, требующими как более высокого тока одного сегмента, так и напряжения на нем. Для этой цели можно взять, например, такую микросхему как TPIC6595 производства фирмы Texas Instruments. Работает она так же, как SN74HC595D, но ее выходы на основе мощных полевых транзисторов с открытым стоком имеют нагрузочную способность 250 мА при максимально допустимом напряжении45 В. Микросхему SN74HC595D можно заменить аналогичной других производителей, например74HC595D производства ON Semiconductor или NXP Semiconductor (бывшая Philips Semiconductor). Эта микросхема вполне доступна и стоит недорого. Цифровые семисегментные светодиодные индикаторы SA05-11 или SC05-11 можно также заменить на аналогичные других производителей. Вполне подойдут, например, индикаторы BS-A532RI, BS-C532RI или другие серии BS-x53xRxпроизводства фирмы Bright LED Electronics Corp. Применить можно и другие индикаторы, но это, естественно, повлечет за собой разработку новой печатной платы, что, впрочем, вполне по силам большинству инженеров и радиолюбителей.
|
| |
| |
|